アナログの知見とモデルベース開発で、次世代の電源回路をカタチにする
「デジタル制御へ移行したいが、どこから手をつければいいか分からない」
「開発期間を短縮しつつ、高精度な制御を実現したい」
電力需要が急増する今、電源開発の成否を分けるのはデジタル化へのスムーズな移行です。
デジタル制御電源開発サービス
データセンターや半導体工場の新増設などの影響により電力需要が急速に増加する中、再生可能エネルギーの利活用など電源開発における効率化と信頼性はますます重要な課題となっています。特にデジタル制御を活用した電源開発では、高度なシミュレーション技術に基づくモデルベース開発手法が注目されています。
しかし、これまでアナログ制御で電源開発を行ってきたお客様にとってはどこから始めれば良いか悩んでいることでしょう。
WTIではそのようなお悩みにお応えするため「デジタル制御電源開発サービス」を提供しております。
「デジタル制御電源」がもたらす3つの価値
従来のアナログ制御では困難だった高度な要求を、WTIのデジタル技術が解決します。
- 高精度・高柔軟性
マイコン・DSP制御により、複雑なアルゴリズムや動的な最適化が可能 - 通信・監視機能
リモート監視やDVS(動的電圧スケーリング)など、システム連動を実現 - 開発スピードの向上
実機試作を繰り返す従来手法から、シミュレーション主体の開発へ
デジタル制御電源の対象機器対応できる用途・アプリケーション例
「デジタル制御電源」とは、電源回路の制御部分をマイコンやDSPなどのデジタル制御で実現する電源のことです。
従来のアナログ制御電源に比べて 高精度・柔軟性・通信機能 に優れ、対象となる機器は多岐にわたります。WTIではこれらの機器に搭載されるデジタル制御電源の開発を請け負うことが可能です。
情報機器・通信機器のデジタル制御電源活用分野
- サーバー、データセンター用電源
- 通信基地局(5G/6G対応設備)
- ネットワーク機器(ルーター、スイッチなど)
高効率・高信頼性が求められるため、デジタル制御による最適化やリモート監視が有効です。
産業機器向けのデジタル制御電源活用分野
- 再生可能エネルギー発電装置
- 半導体製造装置
- FA機器(工場自動化用制御装置、PLCなど)
- 医療機器(MRI、CTスキャナ、超音波診断装置)
精密な電源制御が必要であり、デジタル制御のきめ細かな応答性が活かされます。
車載機器(Automotive)の
デジタル制御電源活用分野
- 電動車(EV/HEV/PHEV)のオンボード充電器(OBC)、DC-DCコンバータ
- ADAS(先進運転支援システム)、自動運転ECU
- 車載インフォテインメント機器
車載向けでは AEC-Q100/200 規格への対応や高い安全性が求められるため、デジタル電源制御の導入が進んでおります。
航空・宇宙分野向けのデジタル制御電源活用分野
- 航空機電子機器(アビオニクス)
- レーダー、通信システム
- 宇宙機器(衛星搭載電源)
極めて高信頼性が要求される分野で、冗長性や監視機能付きのデジタル制御電源が利用されています。
デジタル制御電源で採用される主なトポロジー(方式・構成)
デジタル制御電源のトポロジーには以下のようなものがあります。
WTIではこれら電源トポロジーの受託開発が可能ですのでお気軽にご相談ください。
■区分:絶縁
| トポロジー | 特徴・用途 | デジタル制御が適している理由 |
|---|---|---|
| Forward | 中電力 産業機器 |
負荷応答性と効率の最適化がデジタルで可能 |
| Push-Pull | 中電力、 絶縁用途 |
バランス制御や過渡応答をソフトで調整可能 |
| Half-Bridge | 中〜高電力 | 効率制御アルゴリズムを柔軟に実装可能 |
| Full-Bridge | 高電力サーバー、 通信基地局 |
ZVS制御やデッドタイム調整をデジタルで最適化可能 |
| LLC共振型 | 高効率サーバー、 EV充電器 |
共振点追従制御が可能。負荷変動に応じた動的最適化が容易 |
| PSFB(位相シフトフルブリッジ) | 高出力産業 ・車載 |
位相制御アルゴリズムをデジタルで実装可能。効率改善に有効 |
■区分:PFC
| トポロジー | 特徴・用途 | デジタル制御が適している理由 |
|---|---|---|
| Boost PFC / Interleaved PFC / Totem-Pole PFC | CPU/GPU用VRM | フェーズバランス、DVS、軽負荷時フェーズ削減を柔軟に制御可能 |
■インバータ
| トポロジー | 特徴・用途 | デジタル制御が適している理由 |
|---|---|---|
| 単相/三相インバータ、マルチレベル | モータ駆動、 太陽光発電、UPS |
PWM生成、力率制御、波形整形、MPPT制御など柔軟な制御が可能。 EVや再エネ用途で必須 |
■双方向
| トポロジー | 特徴・用途 | デジタル制御が適している理由 |
|---|---|---|
| 双方向Buck/Boost(Non-Isolated Bi-directional DC-DC) | バッテリ充放電制御、48VマイルドHV、UPS | 充放電のシームレス切替、効率最適化、SOC管理がデジタルで容易 |
| 絶縁型双方向DC-DC(Dual Active Bridge: DAB、双方向LLCなど) | EVオンボード充電器(OBC)、V2G、蓄電システム(BESS) | ソフト制御でZVS/ZCS最適化、電流制御、双方向潮流制御が可能。再エネ・EVの要素技術 |
お気軽にお問い合わせください
「何から始めればいいか分からない」といった初期段階のご相談も大歓迎です。電源開発の効率化やコスト削減に向けた第一歩を、WTIがバックアップします。現在の状況や「こんなことを実現したい」という構想をぜひお聞かせください。
WTIのデジタル制御電源開発サービスモデルベース開発の活用
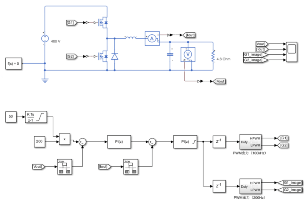
WTIの「デジタル制御電源開発サービス」では、高度なデジタル技術を駆使して効率的で信頼性の高い電源システムの開発をサポートいたします。
これを実現するため、MATLAB®/Simulink®によるモデルベース開発手法を採用しており、迅速かつ正確なプロトタイピングと検証を可能にします。
デジタル制御技術の基本とその重要性
デジタル制御技術は、現代の電源開発において不可欠な要素となっています。
特に効率化と信頼性を追求する上で、この技術が果たす役割は非常に大きく、従来のアナログ制御では実現し得ない精密な調整や迅速な応答性能を可能にします。
また、システム全体の最適化にも寄与し、多様なニーズへの対応力を高めます。このような背景から、「デジタル制御電源開発技術」が注目されています。
最新のツールや手法を駆使して設計・検証プロセスを効率的かつ確実に進めることができるため、高品質で安定した製品提供につながります。これらによって、市場競争力を強化し、新しい価値創造へと導くことができます。
電源設計におけるモデルベース開発の役割
電源開発におけるモデルベース開発は、設計プロセスの効率化と信頼性向上を実現するための重要な手法です。シミュレーション環境で仮想的に動作を確認しながら設計できるため、試作段階でのリスクやコストを大幅に削減できます。
また、複雑な制御アルゴリズムも直感的に構築可能となり、高度な機能を持つデジタル制御電源が短期間で開発されます。このアプローチでは、一貫した品質管理が行われ、不具合の早期検出と修正が容易になります。
さらに、多様な運用条件下でも安定した性能を維持することが求められる中、この技術は柔軟かつ迅速な対応力を提供します。結果として、市場投入までの時間短縮だけでなく、製品寿命全体にわたって高いパフォーマンスと安全性が確保できます。
MATLAB®/Simulink®を活用した効率的なデジタル制御電源開発
デジタル制御電源の設計において、MATLAB®/Simulink®はその強力なシミュレーション機能を活用することで効率的かつ精度の高い開発が可能です。
迅速なプロトタイピングを実現し、設計段階での試行錯誤を大幅に削減します。
また、高精度なモデル化によって信頼性のある結果を得ることができ、最終製品への適用時にも安心して使用できます。
デジタル制御電源の開発実績と事例開発課題に対する取り組み・成果を紹介
WTIにおけるデジタル制御電源の開発実績の一部についてご紹介いたします。
省電力汎用デジタル制御電源の開発事例
ものづくり中小企業製品開発等支援補助金を活用し省電力汎用デジタル制御電源を開発しました。
システム側との通信によってシステムの要求する動作にリアルタイムで連動させ、動的に電圧、電流を変化させることが可能。MPUにはdsPICを採用。
■主な特徴
- システム制御部からの通信により出力を制御可能なDC/DCコンバーターモジュール
- 制御PCとのインターフェースはUSBを採用。
- 制御するのは、①出力電圧、②電流リミット、③ソフトスタートの係数、④ON/OFF設定等 これらをシステム制御部から任意に設定し、柔軟な制御が可能。
- 多チャンネル出力が可能で各チャンネル別に個別設定が可能。
デジタル制御インバータ装置の開発事例
■開発背景
お客様は従来のアナログ制御インバータを採用していましたが、「高精度化の実現」「次世代プラットフォーム化」といったニーズからデジタル制御化が開発のテーマとなっておりました。
■開発課題
- 高速スイッチング制御アルゴリズムの実装
- 異常検出や保護機能のソフトウェアによる実現
- 小型化・高信頼性を両立させる回路・筐体の設計
■当社の取り組み
WTIが保有する以下の技術を活用し、課題解決を行いました。
- MATLAB®/Simulink®による制御モデル設計とシミュレーション検証
- マイコンを用いたデジタルPWM制御ソフト開発
- 試作品による回路定数のチューニング
- CAE(Computer Aided Engineering)活用による排熱方法の最適化
■成果
- デジタル制御方式によるインバータのプラットフォームを確立
- 最適な排熱構造を実現
MATLAB®、Simulink®およびその他の製品は、The MathWorks, Inc.の登録商標または商標です。
お気軽にお問い合わせください
「何から始めればいいか分からない」といった初期段階のご相談も大歓迎です。電源開発の効率化やコスト削減に向けた第一歩を、WTIがバックアップします。現在の状況や「こんなことを実現したい」という構想をぜひお聞かせください。
- サイト内検索
- 新着ページ
-
- デジタル制御電源開発サービス (2026年04月13日)
- 4/23~24 パワーエレクトロニクス講座・インバータの基礎講座(2日) (2026年03月19日)
- 4/22 パワーエレクトロニクス講座・パワーデバイスの基礎講座(1日) (2026年03月19日)
- 3/26~27 パワーエレクトロニクス講座・インバータの基礎講座(2日) (2026年02月24日)
- 3/25 パワーエレクトロニクス講座・パワーデバイスの基礎講座(1日) (2026年02月20日)



![足で稼ぐ営業を見直しませんか?[営業支援サービスのご案内] 足で稼ぐ営業を見直しませんか?[営業支援サービスのご案内]](https://www.atengineer.com/pr/wti/color/images/btn_wps.png)